复合耐磨合金在转炉下料系统中的应用技术论文
2026-03-10 13:59:39 来源: 作者:xuling
摘要:技术采用差异化设计,下料漏斗运用梯度复合结构抵御高温冲击,下料槽衬板应用多层复合增强技术强化耐磨性能,导料管道内壁采用耐磨涂层缓解冲刷磨损,计量装置与控制阀门通过材料配方优化确保性能稳定。
摘要:合耐磨合金技术通过成分优化与组织调控,实现高硬度、高韧性、强耐磨性的协调统一。技术采用差异化设计,下料漏斗运用梯度复合结构抵御高温冲击,下料槽衬板应用多层复合增强技术强化耐磨性能,导料管道内壁采用耐磨涂层缓解冲刷磨损,计量装置与控制阀门通过材料配方优化确保性能稳定。应用实践表明,该技术使系统整体耐磨性能提升90%,年维护成本降低35%,投资回收期1.8年,为钢铁行业设备升级提供了经济有效的解决方案。
关键词:复合耐磨合金;转炉下料系统;耐磨技术;材料应用;结构优化
钢铁冶炼转炉下料系统长期承受高温、高压、强冲击工况,设备磨损严重影响生产效率,传统耐磨材料存在硬度与韧性难以兼顾、使用寿命短等问题。复合耐磨合金,通过多元素合金化与复合强化机制,在保持高硬度基础上大幅改善韧性与耐磨性能,转炉下料系统包含漏斗、槽体、管道、计量装置、控制阀门等关键部件,各部位工况条件差异明显,对耐磨材料性能要求各异。深入研究复合耐磨合金在转炉下料系统中的应用技术,对提升设备可靠性、降低运营成本、推动冶金装备技术进步具有重要意义。
1复合耐磨合金材料特性分析
复合耐磨合金在转炉下料系统中展现出优异的材料特性,其多相复合结构能有效应对高温冲蚀和强烈磨损,高铬马氏体基体在转炉温度条件下保持强度与韧性平衡。弥散分布的碳化物硬质相具备出色抗磨粒磨损能力,可抵抗石灰石与铁矿石等原料颗粒的切削,合金中精确控制的铬含量在高温氧化环境下形成致密保护膜,钨、钼等难熔元素强化高温蠕变抗力以防止塑性变形[1]。材料通过基体相与硬质相的协调变形机制保证冲击韧性,避免发生脆性断裂,复合合金通过匹配热膨胀系数与导热性能,降低热应力集中来实现综合性能最优化。
2复合耐磨合金的技术应用
2.1下料漏斗复合耐磨合金选材设计
下料漏斗作为转炉下料系统核心入口部件,需承受大块原料的剧烈冲击载荷与高温环境的协同作用,其复合耐磨合金选材与设计需重点聚焦抗冲击韧性及高温热稳定性协同优化。漏斗内表面采用高铬白口铸铁基复合合金,通过精准添加钨(W)、钼(Mo)等合金化元素,调控合金相组成与分布,显著提升材料高温力学强度、硬度及抗热疲劳性能。微观结构设计上,合金基体中弥散分布的碳化钨(WC)硬质颗粒形成连续耐磨骨架,析出的碳化铬(Cr3C2)强化相进一步提升了抗氧化性与抗腐蚀能力[2]。漏斗底部锥形区域磨损最严重,采用梯度复合结构设计,如图1所示,表层硬度达到HRC58~62,内层保持适当韧性以吸收冲击能量,选材过程中考虑材料可焊接性与可加工性,合金成分中添加微量钒、铌元素细化晶粒组织,优化材料综合性能。

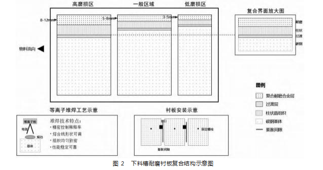
2.2下料槽耐磨衬板复合结构优化
下料槽耐磨衬板作为转炉下料系统的核心易损部件,需长期承受连续物料流动引发的冲蚀磨损与滑动磨损耦合作用,其设计采用多层复合技术,实现耐磨性能与制造成本的协同优化。衬板基体选用普通碳钢来提供结构强度,表面通过堆焊复合耐磨合金层形成主要耐磨保护,如图2所示。

复合层厚度进行差异化设计,高磨损区域设定为8~12mm,一般区域为5~8mm。复合界面运用过渡层技术,通过成分梯度变化实现基体与复合层良好冶金结合,采用特殊预热与后热处理工艺保证结合质量。合金层呈现柱状晶结构,晶界析出硬质相颗粒形成连续抗磨网络[3]。复合工艺采用等离子堆焊技术,精密调节稀释率与熔合线形状确保组织均匀性,衬板安装考虑热膨胀补偿与应力释放,采用标准化接口连接方式便于针对性维护。
2.3导料管道内壁耐磨涂覆
导料管道内壁会承受高速物料流长时间持续冲刷与磨损,耐磨涂覆技术可通过表面改性明显改善管道表面性能,如图3所示。涂覆材料选用镍基自熔性合金粉末,利用火焰喷涂工艺能在管道内壁形成致密耐磨保护层[4]。涂覆层厚度控制在0.5~1.0mm,这样既能确保有足够耐磨保护又能维持管道原有流通截面。预处理工艺包含表面喷砂粗化以及预热处理,可确保涂覆层与基体有优异结合强度,喷涂参数的精密调节是涂覆质量的关键影响因素,优化喷涂距离、角度、移动速度等工艺参数可实现涂层组织致密化。涂覆层组织呈现典型的层状结构特征,硬质相颗粒均匀分布在其中形成抗磨骨架。后处理工艺采用重熔技术,氧乙炔火焰重熔处理能消除涂层中的气孔缺陷,并提升涂层致密度与结合强度。管道弯头等特殊部位使用专用工装与分段涂覆工艺,以此达到涂覆质量的均匀性与完整性。

2.4计量分配装置耐磨改进
计量分配装置要求在保证计量精度的前提下具备优异的耐磨性能,复合耐磨合金改进技术结合精密制造与表面强化实现性能目标。计量阀芯采用钴基合金制造,具备卓越的耐磨性与自润滑性能,确保长期使用过程中配合间隙的稳定性。阀座材料采用渗氮处理的合金钢,气体渗氮工艺在表面形成高硬度的氮化层,渗氮层深度的计算遵循扩散定律,如式(1):
x=K√D·t(1)
式中:x为渗氮层深度,mm;K为扩散系数常数;D为氮原子在钢中的扩散系数,cm2/s;t为渗氮时间,h。通过控制渗氮温度与时间参数,渗氮层深度达到0.3~0.5mm,配合面应用精密研磨工艺处理,表面粗糙度Ra0.4以下,达到优异的密封性能与计量精度。
装置内部流道采用耐磨陶瓷嵌件,机械固定方式实现与金属基体的可靠连接。陶瓷材料具备极高的硬度与化学稳定性,嵌件安装使用过盈配合与胶接相结合的固定方式,关键磨损部位应用激光熔覆技术进行表面强化,熔覆层厚度1~2mm,熔覆工艺参数严格调节稀释率与热影响区范围,装置结构设计充分考虑维护保养的便利性,采用快速连接接口。
2.5下料控制阀门耐磨强化
频繁开启和关闭的下料控制阀门需要同时抵抗物料冲刷及机械磨损,通过材料选择和表面处理技术实现耐磨强化[5]。阀体选用高铬铸钢,阀板表面通过等离子喷涂碳化钨涂层,其厚度控制在0.8~1.2mm,采用多层薄层叠加工艺保障涂层质量,阀座密封面采用钴基合金堆焊,堆焊厚度为3~5mm,经精密加工达到所需几何精度,传动机构关键部件实施表面渗碳处理,渗碳层深度为0.8~1.2mm,阀杆采用镀铬工艺,镀层厚度为50~80μm,阀门内腔采用流线型设计,借助计算流体力学优化流道结构。物料通过阀门时的流动阻力系数计算公式为式(2):

式中:ζ为阻力系数;ΔP为阀门前后压差,Pa;ρ为物料密度,kg/m3;v为物料流速,m/s。通过优化流道几何参数,降低阻力系数ζ值,减少物料对阀门内壁的冲刷强度。关键配合部位使用硬质合金嵌件,嵌件材料选择碳化钨基硬质合金,过盈配合方式实现与阀体的可靠连接。
3应用效果评价
3.1转炉下料系统耐磨性能提升分析
表1数据表明,复合耐磨合金技术使各关键部件使用寿命提升67%~118%,系统整体磨损速率降低47%,维护周期延长70%,充分验证了该技术对转炉下料系统性能的积极影响。

3.2复合耐磨合金应用的经济效益评估
复合耐磨合金技术应用于转炉下料系统能产生显著经济效益,虽然材料单价比传统材料高出30%,但因使用寿命延长让单位时间材料成本降低了20%,年维护费用从原本的60万元降低到38万元,年停机时间从120小时减少到65小时,减少停机损失27.5万元。年综合收益达到49.5万元,且投资回收期为1.8年,经济效益显著,为钢铁行业设备耐磨技术升级提供了有效解决方案。
4结语
综上所述,复合耐磨合金在转炉下料系统中的成功应用验证了该技术的先进性与实用性,通过系统性的材料选择、结构设计、工艺优化,实现了下料系统各关键部件耐磨性能的全面改善。
参考文献
[1]袁震,陶薪学,王杰.荧光光谱技术在水资源污染监测中的应用研究[J].皮革制作与环保科技,2025,6(13):144-146.
[2]迟一鸣,钱大虎,郑彪,等.铝合金表面超声/激光复合原位合金化Ti-B4C涂层的组织及性能研究[J].稀有金属材料与工程,2025,54(10):2620-2630.
[3]张金龙,吴晓风,李继东,等.6061铝合金表面复合共沉积制备Co-Mo-Ce/TiO2镀层及耐蚀性能研究[J].电镀与精饰,2025,47(9):127-135.
[4]田知华,闫涛,王恩博.煤矿刮板输送机耐磨链条制造技术研究[J].今日制造与升级,2025(8):73-76.
[5]黄利兴.炼钢转炉下料管问题与优化措施探讨[J].中国金属通报,2025(7):19-21.